高周波電子銃試作モデルの製作上の問題点

理学部装置開発室 鳥居龍晴
松下幸司

1.はじめに
 現在、高エネルギー実験に用いる電子・陽電子衝突型加速器の電子ビームの発生源として,高周波電子銃が考えられている.本大学の研究グループは,ヨーロッパ原子核共同研究所の設計した高周波電子銃を試作し,同研究所と性能試験の共同研究を行おうとしている.当開発室では,その研究で使用する高周波電子銃の試作モデルの加工に携わっている.この装置は,曲面を含む複雑形状であり,かつ高い形状精度を要求されることから非常に加工が難しく,要求に合った装置を作製するためにはいくつかの問題を解決しなければならない.本報では,高周波電子銃試作モデルの加工を試みた際に生じた問題点について報告する.

2.装置の形状と要求精度
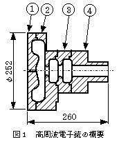
 製作する電子銃の形状は,一体加工が不可能なため図1に示したように4個の部品から構成されている.内部に高電界を与えたときに生じる電界放出暗電流を極力抑えるため,内部の表面粗さを 0.05μm Ra 程度に小さくする必要がある.また,高周波空洞周波数を調整可能な範囲内におさめるため,内部の形状誤差を±5μm以下にすることが要請されている.


3.試作品における加工法と測定結果
 図1に示した<2>の部品の試作において,変形等の多くの問題が発生した.以下にこの加工法と測定結果について述べる.

3−1 試作品における加工法
 以下に試作における加工手順を示す.

(1)NC旋盤による荒加工
 ワークの固定には,チャッキングによる変形を極力少なくするため,図2に示したような治具を用いた.旋盤の主軸に治具を取り付け,治具の端面の加工を行った後にワークをボルトで固定した.この方法にて0.1mmの仕上げ代を残して超硬バイトでNC加工を行った.


(2)超精密旋盤による仕上加工
 ダイヤモンドバイトを用いた仕上げ加工条件を表1に示した.ワークの固定方法は荒加工と同じである.

(3)フライス盤による加工
 旋盤加工後に,図3に示した斜線部(導波管取付部)をフライス加工により削り取った.治具をサーキュラテーブルのチャックに固定(図4)し,治具上面を平面加工した後にワークを取り付けた.


3−2 測定結果
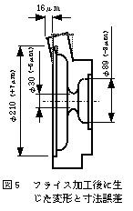
 加工後の試作品を表面粗さ計注1)及び三次元測定機注2)で測定した結果,表面粗さは0.015μmRaであり,要求される表面粗さ0.05μmRaを十分満たしていたが,形状については以下のような大きな誤差が発生した.
(1)フランジのフライス加工部が16μm変形していた(図5).
(2)内径寸法の測定では,直径φ30mmでは−6μm,直径φ89mmでは,−3μm,直径φ210mmでは+7μmであった.

4.フランジ部の変形及び内径寸法誤差の原因と再現実験
 今回の加工で生じた変形や形状誤差の原因を確認するため,以下に示した実験を行った.

4−1 フランジ部の変形の原因と再加工実験
 この変形は,フライス加工後に材料の残留応力及び加工歪みにより生じたと考えられる.そこで,加工手順を入れ替え,フライス加工後に再度,超精密旋盤で加工した.
 加工手順の変更により,超精密旋盤加工時に重量バランスが大きくくずれ,機械の振動が発生することや,静圧空気軸受に高負荷が加わり,破損の危険性も高くなるため,フライス加工で削った部分と同形状の部品を取り付けて加工を行った.
 上記の再加工後に三次元測定機で形状測定を行った結果,形状誤差は1μm以下であり,変形は生じないことがわかった.
4−2 内径寸法誤差の原因と再現実験
 今回加工した試作品の測定結果では,内径が大きくなるほど誤差が大きくなっており,また,誤差がプラス側とマイナス側に発生した.その原因として,旋盤加工前に行うバイトの原点位置合わせ誤差ではなく,以下のことが考えられる.

4−2−1 加工時と測定時の温度の相違
 形状測定での製品温度は20℃であり,高性能な恒温室で行ったため温度誤差が少ない.しかし,加工時での実際の温度は,一般用エアコンであるため20℃の設定温度とは異なっており,形状測定時の温度差に起因する熱膨張による誤差の発生が考えられる.そこで,エアコンの設定温度と室温及び加工物の温度の関係を熱電対を用いて測定した(図6).
 表2に示した測定結果では,エアコンの設定温度を20℃にした場合,加工物の温度は18.4℃であり,設定温度よりも1.6℃低くなった.温度変化が1.6℃あった場合,内径φ30とφ210のサイズの違いによる熱膨張で生じる誤差は約7μmである(表3).



4−2−2 切削油による加工物の温度低下
 本加工では,加工時に切削油(ケロシン)をミスト状にして吹き付けるため,気化熱等により加工物の温度が低下する.そこで,図7に示したように切削油を試料に吹き付けた場合の温度変化を調べた.
 ケロシンを10分から40分程度吹付けた場合,図8に示したように試料の表面温度の低下は 平均で0.3℃程度であった.この実験に用いた試料は製品に比べて小さいので,ケロシンの気化に伴う温度の低下の影響は無視できると考えられる.


4−2−3 旋盤の駆動精度について
 本来,旋盤のX軸及びZ軸の駆動精度を調べるためには,レーザーによる測長が行われるが,今回は機器の入手が出来なかったため,図9に示したような直径の異なる階段状の試料を表4に示した条件で加工し,加工後の直径及び段差寸法を測定することで駆動精度を推定した.この方法では,駆動精度のみではなく,ワークの取付時に発生する誤差等も含んだ総合誤差になる.一つの試料で直径φ20〜φ260までの段付加工を行うとZ軸方向に長くなりすぎて,X軸寸法の精度に影響を及ぼすと考え,試料Tは直径φ140からφ260に,試料Uは直径φ20からφ140のサイズで,20mmおきに段付形状にしたものを加工した.
 加工後の試料T,Uの測定結果は以下のようである.

(1)X軸は移動距離が75mmの場合,直径で+5μm程度誤差を生じる(図10).
(2)Z軸は,試料Tでは主軸から35mmで+2μmと主軸から離れるに従って誤差が大きくなり,試料Uでは主軸から35mmで−0.5μmとなった(図11).

 これらの結果から,(1)で生じた誤差は旋盤の駆動誤差と考えられる.また,(2)については,試料Uは直径φ24の軸部をコレットチャックで固定して加工を行ったため,鈴井らが行ったZ軸駆動精度測定結果1)とほぼ一致しているが,試料Tについては駆動精度以外のワークの取付方法に問題があったと考えられる.試料によって誤差がプラスとマイナスに生じたため,これについては,以下のような過程において発生したと考えられる.

(1)旋盤のX軸の軌跡は,一般に中低に仕上がるように調整してある(図12)ため,試料Tを荒加工した際には端面が中低面(図13)に加工されていた.その中低の量は以前の実験2)より直径φ100mmで8μm程度であり,角度に換算すると0.0092度となる.
(2)治具と試料Tが実際に接触する長さは20mm程度であったため,図14のA部に示すように3μm程度の隙間があったと考えられる.このように中低面の試料Tを治具に固定した場合,端面が変形する.
(3)加工後に試料Tを治具からはずすと変形が戻るため,実際に加工した段差よりも大きな値になる.

 上記(1)から(3)の過程で発生した変形を含んだ寸法値を測定したため,主軸から離れるにつれてZ軸方向の誤差が大きくなったと考えられる.



4-2-4 形状誤差原因のまとめ
 寸法誤差が生じた原因は,以下のように考えられる.

(1)試作品の加工時温度は,18.4℃程度であったと推定される.その試作品を室温20℃で測定すると,内径φ30とφ210の位置では+7μmの誤差が発生する.
(2)旋盤のX軸に+5μm程度の誤差がある.

 上記(1),(2)により,12μmの累積誤差が生じることになる.これは,試作加工時に発生した13μmとほぼ一致する.今回の寸法誤差の原因は 加工時の温度管理が悪かったことと, 旋盤の駆動誤差であったと考えられる.

5.おわりに
 今後,製品を加工する際には,温度管理を行い,旋盤の駆動誤差分を考慮してプログラムを製作することが必要である.超精密加工は恒温室で行うことが必要であり,我々の加工室のような一般用エアコンによる温度制御では,部屋の場所によって温度差が生じたり,外気温の変化によって同じ設定温度でも室温に変化が生じるため,大きな製品の高精度加工は困難であることがわかった.
 今後は加工室を恒温室に改造する計画であるが,超精密加工では加工油の吹付による温度変化や,材料の残留応力・加工歪みによる変形も誤差の要因になるため,加工管理が重要であることを再認識させられた.


備考
 注1)テーラホブソン社製(タリサーフ50e)
 注2)カールツアイス社製(UPMC550CARAT)
     愛知県工業技術センターにて測定


参考文献
1)鈴井光一,小林和宏:超精密CNC旋盤−位置決め精度測定−,名古屋大学理学部
 技術報告 VOL.8 1998(名古屋大学理学部) ISSN 0916-8788,42-46 (1998.3.1)
2)鳥居龍晴:端面加工による旋盤の面削り精度検査,名古屋大学理学部技術報告   
 VOL.10 2000(名古屋大学理学部) ISSN 0916-8788,16-17 (2000.3.1)